TỦ ĐÔNG GIÓ NEWTECHCO
Tủ đông gió (Air Blast Freezer Cabinet) là giải pháp cấp đông nhanh IQF dạng rời được ứng dụng rộng rãi trong nhà máy chế biến thủy sản, thực phẩm và các cơ sở sản xuất quy mô nhỏ – vừa. Thiết bị giúp thực phẩm đạt trạng thái đông sâu trong thời gian ngắn, giữ nguyên độ tươi, cấu trúc và giá trị dinh dưỡng sau rã đông.
1. Giới thiệu tủ đông gió
Tủ đông gió hay còn gọi là tủ cấp đông gió hoạt động dựa trên nguyên lý thổi gió lạnh tốc độ cao trực tiếp qua bề mặt sản phẩm, giúp tăng tốc độ truyền nhiệt và rút ngắn thời gian đông đá.
Phù hợp cấp đông các sản phẩm:
-
Tôm, cá, mực, nghêu, sò
-
Thịt heo, thịt bò, gia cầm
-
Thực phẩm đóng khay
-
Sản phẩm dạng rời, dạng miếng nhỏ
Giải pháp đặc biệt phù hợp cho:
-
Nhà máy thủy sản xuất khẩu
-
Cơ sở sản xuất thực phẩm đông lạnh
-
Xưởng chế biến nhỏ và vừa
-
Kho cấp đông dạng rời

2. Nguyên lý cấp đông của tủ đông gió
Sau khi sơ chế, sản phẩm được trải mỏng lên khay và đưa vào xe cấp đông. Xe được đưa vào buồng cấp đông của tủ.
Bên trong tủ:
-
Luồng gió lạnh tuần hoàn tốc độ cao thổi trực tiếp qua bề mặt sản phẩm
-
Nhiệt độ duy trì ở mức –35°C đến –40°C
-
Quá trình truyền nhiệt diễn ra nhanh chóng
Nhờ đó, thực phẩm đông rắn trong thời gian ngắn, hạn chế tạo tinh thể đá lớn, giữ được cấu trúc và chất lượng sau rã đông.

3. Cấu tạo tủ cấp đông gió công nghiệp
Một tủ đông gió đạt chuẩn công nghiệp bao gồm các bộ phận chính:
3.1 Các thành phần chính
-
Vỏ tủ đông gió
-
Dàn lạnh cấp đông gió
-
Xe khay cấp đông / kệ cấp đông
-
Khay cấp đông
3.2 Cấu tạo chi tiết
Kết cấu vỏ tủ:
-
100% sản xuất tại Việt Nam
-
Phù hợp điều kiện vận hành ngành thủy sản – thực phẩm
-
Tường – trần – đáy tủ inox hai mặt dày 0.45mm
-
Cách nhiệt PU dày 125mm
-
Tỷ trọng PU: 40–42 kg/m³
Các chi tiết kỹ thuật bổ sung:
-
Joint cửa đàn hồi, hoạt động tốt ở nhiệt độ âm sâu
-
Điện trở chống đóng băng tại khung cửa
-
Van thông áp
-
Đồng hồ báo nhiệt độ
-
02 đèn kho lạnh
3.3 Xe khay & khay cấp đông
-
Xe khay inox: 1400 x 740 x 1600 mm
-
Khay nhôm: 5kg/khay
-
Phù hợp cấp đông dạng rời hoặc miếng nhỏ
Thiết kế tối ưu giúp:
-
Dễ thao tác
-
Phân bổ gió đều
-
Tăng hiệu suất cấp đông
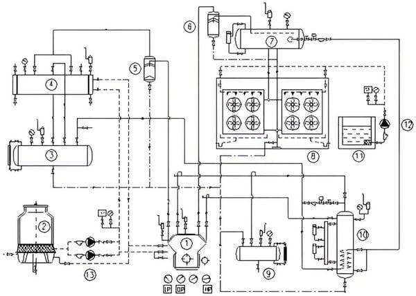
4. Sơ đồ nguyên lý hệ thống lạnh tủ đông gió
Tủ cấp đông gió sử dụng chu trình lạnh 2 cấp nén, kết hợp bình trung gian ống xoắn nhằm đạt hiệu suất làm lạnh sâu và ổn định.
4.1 Các thiết bị chính
-
Máy nén 2 cấp (Low stage – High stage)
-
Tủ cấp đông gió
-
Tháp giải nhiệt + bình ngưng hoặc dàn ngưng bay hơi
-
Bình trung gian
-
Bình chứa thấp áp
-
Bình tách dầu
-
Bơm dịch
-
Hệ thống đường ống gas & nước
-
Tủ điện điều khiển
4.2 Nguyên lý vận hành
-
Máy nén cấp cao và cấp thấp hoạt động theo tải lạnh
-
Môi chất được làm lạnh sâu qua bình trung gian
-
Dàn lạnh tạo gió lạnh –35°C đến –40°C
-
Quạt tuần hoàn gió tốc độ cao
-
Gió lạnh thổi trực tiếp qua sản phẩm
Hệ thống điều khiển tự động:
-
Duy trì nhiệt độ ổn định
-
Bảo vệ máy nén
-
Đảm bảo an toàn vận hành
Chu trình lạnh 2 cấp giúp:
-
Đạt nhiệt độ âm sâu nhanh hơn
-
Tiết kiệm điện
-
Giảm tải máy nén
-
Tăng tuổi thọ thiết bị
5. Ưu điểm của tủ đông gió
- Cấp đông nhanh – sâu – đồng đều
- Giữ chất lượng sản phẩm sau rã đông
- Phù hợp nhiều loại thực phẩm
- Vận hành ổn định lâu dài
- Tiêu thụ năng lượng hợp lý
- Dễ tích hợp vào hệ thống kho lạnh hiện hữu
6. Ứng dụng thực tế
-
Nhà máy chế biến thủy sản xuất khẩu
-
Cơ sở sơ chế – đóng gói thịt
-
Nhà máy thực phẩm đông lạnh
-
Xưởng sản xuất nhỏ và vừa
-
Kho lạnh cấp đông dạng rời
Khả năng đông nhanh giúp:
-
Sản phẩm đẹp mã
-
Không dập nát
-
Không mất nước
-
Đảm bảo tiêu chuẩn xuất khẩu

7. Vì sao nên chọn tủ đông gió NEWTECHCO?
-
Sản xuất trực tiếp tại Việt Nam
-
Thiết kế tối ưu cho ngành thủy sản
-
Kết cấu inox bền chắc
-
Chu trình lạnh 2 cấp hiệu suất cao
-
Đội ngũ kỹ thuật chuyên sâu ngành lạnh công nghiệp
Câu hỏi thường gặp (FAQ)
1. Tủ đông gió khác gì so với kho đông?
Tủ đông gió cấp đông nhanh trong thời gian ngắn, còn kho đông chủ yếu dùng để bảo quản lâu dài.
2. Nhiệt độ làm việc của tủ là bao nhiêu?
Từ –35°C đến –40°C.
3. Có thể cấp đông tôm dạng rời không?
Có, rất phù hợp cho dạng rời IQF.
4. Tủ có an toàn khi vận hành không?
Có hệ thống bảo vệ máy nén và khóa an toàn chống kẹt người.
5. Chu trình lạnh 2 cấp có lợi ích gì?
Giúp đạt nhiệt độ sâu nhanh hơn và tiết kiệm điện.
6. Có thể sản xuất theo kích thước yêu cầu không?
Có thể thiết kế theo nhu cầu thực tế.
7. Tủ có phù hợp xưởng nhỏ không?
Phù hợp cả quy mô nhỏ và nhà máy lớn.
8. Khay cấp đông tải trọng bao nhiêu?
5kg/khay tiêu chuẩn.
9. Có hỗ trợ lắp đặt tận nơi không?
Có đội ngũ kỹ thuật lắp đặt và vận hành.
10. Thời gian cấp đông bao lâu?
Tùy sản phẩm và độ dày, thường trong vài giờ.

CÔNG TY CỔ PHẦN KỸ THUẬT CƠ ĐIỆN NHIỆT LẠNH NEWTECHCO
Địa chỉ : 107/6/2 Đường số 38, P. Hiệp Bình, TP.HCM.
Email: sale.refnewtechco@gmail.com
Hotline: 0982.456.257 / 0903.864.230 (Zalo/Viber/WhatsApp)
sale.refnewtechco@gmail.com

0982.456.257
